◆ Modell: y40 y50 y60 y75 y100 y150 y200 y250
◆ Használat: Ez a műszer -sorozat alkalmas a folyékony, gáz vagy gőz nyomásának mérésére, amelynek nincs robbanás veszélye, nem kristályosodik, nem szilárdít meg, és nincs korrozív hatása a réz és a rézötvözetre.
◆ A gyakorlati alkalmazásban a különféle táptalajok speciális jellemzői szerint (például olaj tilalma, tűzmegelőzés, korrózióállóság stb.) A műszer követelményei eltérőek, tehát ez a műszercsoport sok megfelelő speciális műszert származtat, a névleges átmérőjük, a telepítési típus, a csatlakozó szál, a pontossági szint, a mérési tartomány stb.
1.1 A tűzveszélyes és robbanásveszélyes közegek nyomásának mérésére alkalmas. Szigorúan tilos, hogy kapcsolatba lépjen a zsíros gyúlékony anyagokkal. A gyár elhagyása előtt zsírtalanítást végeznek, és zsír nélkül tesztelik.
1.1.1 YO sorozatú oxigénnyomásmérő
1.1.2 YH sorozatú hidrogénnyomásmérő
1.1.3 YY sorozat acetilénnyomásmérő
1.2 A felhasznált anyagok ellenállnak a közeg korróziójának, vagy a műszernek nincs hatása a közegre, és biztosítja, hogy a detektáló elemek és interfészek tiszta és zsírmentesek legyenek.
1.2.1 YA sorozatú ammónia nyomásmérő
1.2.2 YDQ sorozat nitrogénnyomásmérő
◆ Műszaki paraméterek :
| Modellszám | Y40 | Y50 | Y60 | Y75 | Y100 | Y150 | Y200 | Y250 | |
| Névleges átmérőjű | Φ 40 | Φ 50 | Φ 60 | Φ 75 | Φ 100 | Φ 150 | Φ 200 | Φ 250 | |
| Telepítési forma | Ⅰ | * | * | * | * | * | * | * | * |
| Ⅱ | / | / | * | / | * | * | * | * | |
| Ⅲ | * | * | * | * | / | / | / | / | |
| Ⅳ | / | / | * | / | * | * | / | / | |
| Ⅴ | * | * | * | * | / | / | / | / | |
| Ⅵ | / | / | * | * | * | * | / | / | |
| Csatlakozószál | M10 × 1 | M14 × 1.5 | M20 × 1.5 | ||||||
| Pontossági osztály | 2.5 | 1.6 | |||||||
| Mérési tartomány ( MPA ) | Üres: -0.1 ~ 0 Nyomás vákuum : -0.1 ~ 0,06 -0,1 ~ 0,15 -0,1 ~ 0,3 -0,1 ~ 0.5 -0.1 ~ 0,9 -0,1 ~ 1,5 -0.1 ~ 2.4 Nyomás: 0 ~ 0,1 0 ~ 0,16 0 ~ 0,25 0 ~ 0,4 0 ~ 0.6 0 ~ 1 0 ~ 1.6 0 ~ 2,5 0 ~ 4 0 ~ 6 0 ~ 10 0 ~ 16 0 ~ 25 0 ~ 40 0 ~ 60 0 ~ 100 0 ~ 160 | ||||||||
| Környezeti felhasználási feltételek | Temp : -40 ℃~ 70 ℃ | ||||||||
| Rezgési besorolás | V · H · 3 | ||||||||
| Borden cső anyag | QSN4-0.3 | ||||||||
| Védelmi osztály | IP54 、 IP65 | ||||||||
| Végrehajtási szabványok | GB/T 1226 | ||||||||
| Megjegyzés: 1. A közös szálak a felhasználói igények szerint testreszabhatók. | |||||||||
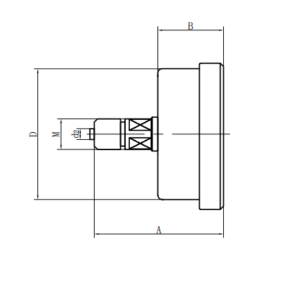
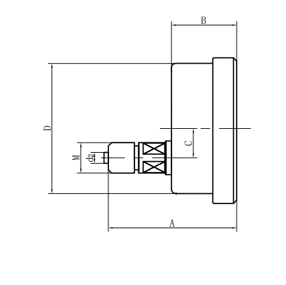
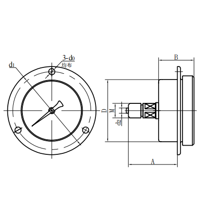
◆ Külső dimenziók:
| Radiális közvetlen típus (ⅰ) | Axiális excentrikus közvetlen típus (ⅱ) |
| Axiális koncentrikus közvetlen típus (III) | Axiális excentrikus betét típus (IV) |
| Axiális koncentrikus beillesztési típus (V) | Radiális domború típus (VI) |
| Modellszám | Általános dimenziók ( mm ) | |||||||
| A | B | C | D | d0 | D1 | d2 | M | |
| Y40 -Ⅰ | 38 | 25 | 8.5 | Φ 41 | / | / | Φ 3.5 | M10 × 1 |
| Y40 -Ⅲ | 45 | 26 | / | Φ 41 | / | / | Φ 3.5 | M10 × 1 |
| Y40 -Ⅴ | 38 | 26 | / | Φ 41 | Φ 3.5 | Φ 53 | Φ 3.5 | M10 × 1 |
| Y50 -Ⅰ | 50 | 29 | 9.5 | Φ 52 | / | / | Φ 4 | M10 × 1 |
| Y50 -Ⅲ | 54 | 29 | / | Φ 52 | / | / | Φ 4 | M10 × 1 |
| Y50 -Ⅴ | 47 | 29 | / | Φ 52 | Φ 4 | Φ 64 | Φ 4 | M10 × 1 |
| Y60 -Ⅰ | 54 | 30 | 12 | Φ 60 | / | / | Φ 5 | M14 × 1.5 |
| Y60 -Ⅱ | 63 | 34 | 18 | Φ 60 | / | / | Φ 5 | M14 × 1.5 |
| Y60 -Ⅲ | 58 | 30 | / | Φ 60 | / | / | Φ 5 | M14 × 1.5 |
| Y60 -Ⅳ | 45 | 34 | 18 | Φ 60 | Φ 5 | Φ 75 | Φ 5 | M14 × 1.5 |
| Y60 -Ⅴ | 45 | 34 | / | Φ 60 | Φ 5 | Φ 75 | Φ 5 | M14 × 1.5 |
| Y60 -Ⅵ | 54 | 30 | 12 | Φ 60 | Φ 5 | Φ 75 | Φ 5 | M14 × 1.5 |
| Y75 -Ⅰ | 62 | 31 | 10 | Φ 75 | / | / | Φ 5 | M14 × 1.5 |
| Y75 -Ⅲ | 54 | 32 | / | Φ 75 | / | / | Φ 5 | M14 × 1.5 |
| Y75 -Ⅴ | 54 | 32 | / | Φ 75 | Φ 5 | Φ 91 | Φ 5 | M14 × 1.5 |
| Y75 -Ⅵ | 62 | 32 | 10 | Φ 75 | Φ 5 | Φ 91 | Φ 5 | M14 × 1.5 |
| Y100 -Ⅰ | 89 | 44 | 17 | Φ 100 | / | / | Φ 6 | M20 × 1.5 |
| Y100 -Ⅱ | 83 | 44 | 30 | Φ 100 | / | / | Φ 6 | M20 × 1.5 |
| Y100 -Ⅳ | 68 | 44 | 30 | Φ 100 | Φ 6 | Φ 118 | Φ 6 | M20 × 1.5 |
| Y100 -Ⅵ | 89 | 44 | 18 | Φ 100 | Φ 6 | Φ 118 | Φ 6 | M20 × 1.5 |
| Y150 -Ⅰ | 115 | 49 | 17 | Φ 150 | / | / | Φ 6 | M20 × 1.5 |
| Y150 -Ⅱ | 88 | 49 | 55 | Φ 150 | / | / | Φ 6 | M20 × 1.5 |
| Y150 -Ⅳ | 85 | 49 | 55 | Φ 150 | Φ 6 | Φ 165 | Φ 6 | M20 × 1.5 |
| Y150 -Ⅵ | 115 | 49 | 18 | Φ 150 | Φ 6 | Φ 165 | Φ 6 | M20 × 1.5 |
| Y200 -Ⅰ | 140 | 53 | 20 | Φ 200 | / | / | Φ 6 | M20 × 1.5 |
| Y200 -Ⅱ | 92 | 53 | 53 | Φ 200 | / | / | Φ 6 | M20 × 1.5 |
| Y250 -Ⅰ | 165 | 53 | 20 | Φ 250 | / | / | Φ 6 | M20 × 1.5 |
| Y250 -Ⅱ | 92 | 53 | 53 | Φ 250 | / | / | Φ 6 | M20 × 1.5 |

























