◆ Modell: YN40 YN50 YN60 YN75 YN100 YN150
◆ Használat: Ez a műszer -sorozat jó ütésállósággal rendelkezik, különös tekintettel a környezeti gépek erős rezgéseire, és ellenáll az erőszakos pulzációnak, a sokknak és a közepes nyomás hirtelen kirakodásának. Ez alkalmas a folyékony, gáz vagy gőz nyomásának mérésére, amelynek nincs robbanás veszélye, nem kristályosodik, nem szilárdul meg, és nincs korrozív hatása a réz- és rézötvözetre. A műszer stabil és tiszta leolvasásokat jelöl. Széles körben használják nehéz gépekben, bányászatban, kőolajban, vegyiparban, kohászatban, elektromos energiában és más osztályokban.
◆ A gyakorlati alkalmazásban a különféle közegek speciális jellemzői szerint (például olaj tilalma, tűzálló, korrózióálló stb.), A műszer követelményei eltérőek, tehát ez a műszer-sorozat sok megfelelő speciális eszközt származtat, a névleges átmérőjük, a telepítési típus, a csatlakozószál, a pontossági szint, a mérési tartomány stb.
2.1 A tűzveszélyes és robbanásveszélyes közegek nyomásának mérésére alkalmas. Szigorúan tilos, hogy kapcsolatba lépjen a zsíros gyúlékony anyagokkal. A gyár elhagyása előtt a zsírtalanítást végezzük, és teszteljük, hogy mentes legyen zsírok.
2.1.1 Yon sorozat sokk-ellenálló (szeizmikus) oxigénnyomásmérő
2.1.2 YHN sorozat sokk-ellenálló (szeizmikus) hidrogénnyomásmérő
2.1.3 YYN-sorozat sokk-ellenálló (sokk) acetilénnyomásmérő
2.2 A felhasznált anyagok ellenállnak a közeg korróziójának, vagy a műszernek nincs hatása a közegre, és hogy a detektálási elemek és interfészek tiszta és zsírmentesek legyenek.
2.2.1 YAN-sorozat sokk-ellenálló (sokk) ammónia nyomásmérő
2.2.2 YDQN sokk-ellenálló (sokk) nitrogénnyomásmérő sorozat
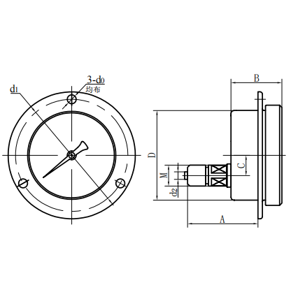
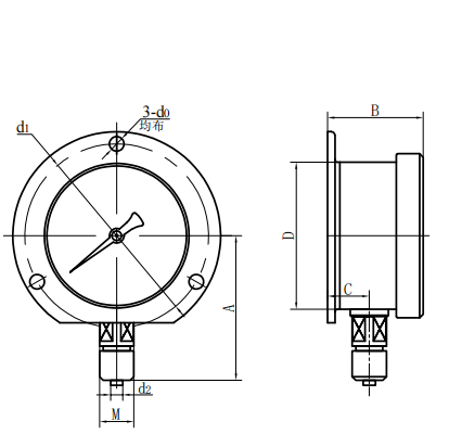
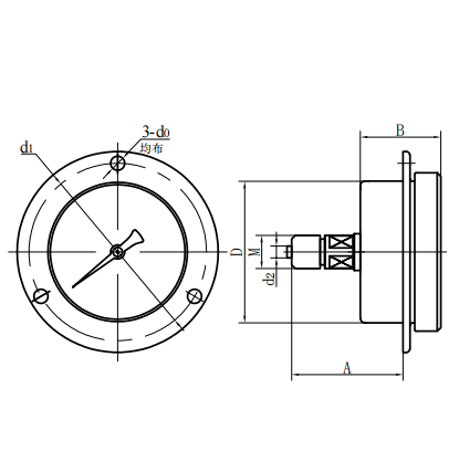
YN sorozatú ütésálló nyomásmérő
Modell: 40 mm (1,5 "), 50 mm (2"), 60 mm (2,5 "), 100 mm (4"), 150 mm (6 ")
Bevezetés:
A hangszerek sorozata kiváló sokk -ellenállással, stabil indikációval, tiszta leolvasásokkal, és különösen alkalmasak az intenzív mechanikai rezgésekkel rendelkező helyeken. Ellenőrizhetik a drasztikus pulzációkat, az ütközéseket és a közeg hirtelen terheléscsökkentését is. A sokkcsökkentő mechanizmust és a folyadékkal töltött kialakítást (tipikusan glicerin- és szilikonolaj) lehetővé teszik ezt a nyomásmérőt, hogy biztosítsák a megbízható és pontos nyomásmérést még komplex és káros körülmények között is. Rugalmasságának és pontosságának köszönhetően széles körben használják a különféle iparágakban.



















































































































