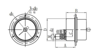
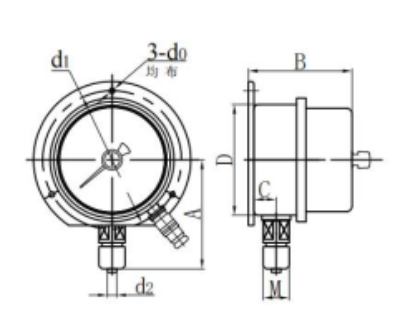
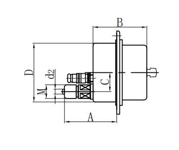
◆ Modell: YXCH100 YXCH150
◆ Alkalmazás: Az ilyen típusú műszer alkalmas a folyadékok, gázok vagy gőzök nyomásának mérésére robbanásveszély nélkül, kristályosodás nélkül, megszilárdulás nélkül, és nincs korrozív hatás a réz- és rézötvözetekre. Ha megfelelő áramköri rendszerrel van felszerelve, riasztást vagy automatikus vezérlést küldhet a mérni és vezérelhető nyomásrendszernek.
◆ Ha szükség van egy ütésálló típusú nyomásmérővel, akkor azt glicerin vagy szilikonolajjal tölthető meg.


















