◆ Modell: YP100-L YP150-L YP100-F YP150-F
◆ Modell: YP100-L YP150-L YP100-F YP150-F
◆ Műszaki paraméterek:
| Modell | YP100-L 、 YP100-F | YP150-L 、 YP150-F |
| Névleges átmérőjű | F 100 | F 150 |
| Pontossági osztály | 2.5 | |
| Mérési tartomány ( KPA ) | Negatív nyomás: -60 ~ 0 -40 ~ 0 -25 ~ 0 -16 ~ 0 -10 ~ 0 0 ~ 10 -6 ~ 0 -4 ~ 0 -2.5 ~ 0 -1.6 ~ 0 Pozitív nyomás: 0 ~ 1.6 0 ~ 2,5 0 ~ 4 0 ~ 6 0 ~ 1 0 ~ 1.6 0 ~ 2.5 Pozitív és negatív nyomás: -0.8 ~ 0,8 -1.2 ~ 1,2 -2 ~ 2 -3 ~ 3 -5 ~ 5 -8 ~ 8 -12 ~ 12-20 ~ 20 -30 ~ 30 | |
| Mérési tartomány ( MPA ) | Vákuum: -0.1 ~ 0 Nyomás vákuum: -0.1 ~ 0,06 -0,1 ~ 0,15 -0,1 ~ 0.3 -0.1 ~ 0,5 -0,1 ~ 0,9 -0,1 ~ 1,5 -0.1 ~ 2.4 Nyomás: 0 ~ 0,06 0 ~ 0,1 0 ~ 0,16 0 ~ 0,25 0 ~ 0.4 0 ~ 0,6 0 ~ 1 0 ~ 1.6 0 ~ 2.5 | |
| Használjon környezeti hőmérsékletet | -40 ℃~ 70 ℃ | |
| Membrán anyag | OCR18NI12MO2TI ; SUS316 ; | |
| Szerkesztési típus | Menetes ( L ); Karima ( F ), ( F1 ) | |
| Rezgési ellenállás besorolás | V · H · 2 | |
| Behatolás védelme | IP64 | |
| Érvényesítse a szabványt | JB/T 5491 | |
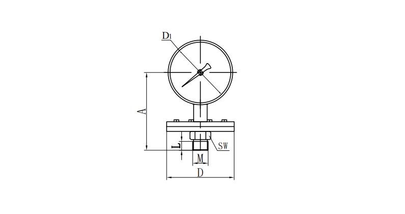
◆ Külső dimenziók:
Menetes ( L )
| Modell | Méretek ( mm ) | |||||
| A | D | D1 | SW | L | M | |
| YP100-L | 135 | Φ 97.5 Mikropresszúra φ 165 | 110 | 27 | 20 | M20 × 1.5 |
| YP150-L | 160 | 160 | 27 | 20 | M20 × 1.5 | |
| Megjegyzés: A közös szál ( M ) csőhálókká vagy kúpos szálakká készíthető a felhasználói igények szerint (lásd a Kiválasztási útmutatót). | ||||||
Wuxi Huihua Special Instrumentation Co., Ltd. was established in December 2001, the registered capital is 5 million yuan, the existing staff of more than 50 small and medium-sized joint-stock enterprises.
A társaság különféle típusú speciális eszközök előállítására szakosodott, az importált eszközök lokalizációjának alternatívájára. A szeizmikus nyomásmérő, a szeizmikus elektromos érintkezési nyomásmérő, a rozsdamentes acél nyomásmérő, a membrán korrózió-rezisztens nyomásmérő, a tengeri nyomásmérő és más sorozat, mint a fő termékek. A terepi műszerek alapján különféle nyomásátvitelőket, nyomásszabályozókat, digitális nyomásmérőket és így tovább fejlesztettünk. Több mint 30 sorozat és 3000 specifikáció létezik. Az ellátási termékeket széles körben használják kőolaj, vegyi, papír, kohászat, bányászat, kémiai rost, elektromos energia, élelmiszer, környezetvédelem, gumi és műanyag, hidraulika és sok más iparágban, valamint több mint 2000 hazai ügyfélben, hogy barátságos kapcsolatot létesítsenek a nemzeti nagy- és középvállalkozásokkal, hogy jó partnerséget alakítsanak ki, megnyerték a felhasználók többségét, és egy vállalati márkanév felépítik.
Mint YP sorozatú membránnyomásmérők Manufacturers, Szigorú minőség -ellenőrzési folyamatok vannak érvényben a gyártási rendszer egészében, hogy biztosítsák a következetes minőség előállítását.
A nyomásmérők a legalapvetőbb műszerek közé tartoznak minden ipari, mechanikai vagy technológiai környezetben. Valós idejű folyadék- vagy gáznyomás mérést tesznek lehetővé, lehetővé téve a kezelők számára a rendszer t......
További információA nyomásmérő alapjainak megértése Nyomásmérők számtalan iparágban használatos alapvető eszközök a gázok vagy folyadékok nyomásának mérésére és megjelenítésére a rendszerben. Ezek az eszközök kritikus funkciók......
További információA nyomáskülönbség-távadók a modern ipari folyamatirányítási, mérési és felügyeleti rendszerek alapvető eszközei. Ezek az eszközök mérik a nyomáskülönbséget a rendszer két pontja között, és ezt a mérést szabványos kime......
További információ