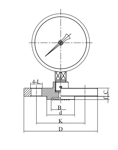
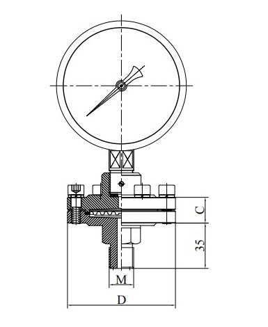
◆ Modell: YTZ100, YTZ-150
◆ Alkalmazás: Az ilyen típusú műszer alkalmas a folyadékok, gázok vagy gőzök nyomásának mérésére robbanásveszély nélkül, kristályosodás nélkül, megszilárdulás nélkül, és nincs korrozív hatás a réz- és rézötvözetekre.
Rozsdamentes acélból készült, felhasználható a gyengén korrozív, de nem robbanásveszélyes, kristályosodott vagy megszilárdított folyadékok, gázok vagy gőzök nyomásának mérésére.
◆ Ha szükség van egy ütésálló típusú nyomásmérővel, akkor azt glicerin vagy szilikonolajjal tölthető meg.


















