◆ Műszaki paraméterek:
| Modell | CYB100 | CYB150 |
| Névleges átmérőjű | Φ 100 | Φ 150 |
| Szerkesztési típus | Radiális domborúra szerelt Párhuzamos interfészek | * | * |
| Radiális domborúra szerelt Nyolc karakterlánc-felület | / | * |
| Excentrikus excentrikus öblítés típus | / | * |
| Mérési tartomány | Eltérő nyomás Mérési tartomány KPA | Névleges Munkakörnyomás KPA | Eltérő nyomás Mérési tartomány MPA | Névleges Munkakörnyomás MPA |
| 0 ~ 10 | 60 | 0 ~ 0.16 | 1 |
| 0 ~ 16 | 100 | 0 ~ 0.25 | 1.6 |
| 0 ~ 25 | 160 | 0 ~ 0.4 | 2.5 |
| 0 ~ 40 | 250 | 0 ~ 0.6 | 4 |
| 0 ~ 60 | 400 | 0 ~ 1 | 6 |
| 0 ~ 100 | 600 | 0 ~ 1.6 | 10 |
| | | 0 ~ 2.5 | 10 |
| Pontossági osztály | 2.5 |
| Inkáló szálak | M20 × 1.5 |
| Használjon környezeti hőmérsékletet | -40 ℃~ 70 ℃ |
| A felhasználandó közeg hőmérséklete | ≤ 60 ℃ |
| Rezgési ellenállás besorolás | V · H · 3 |
| Háztartási besorolás | IP54 |
| súly | Hozzávetőlegesen 1,0 kg |
| Az impulzusrendszer anyaga | 0CR17NI12MO2 、 SUS316 |
| ház és egyéb anyagok | 1cr18ni9 、 SUS304 |
| Érvényesítse a szabványt | JB/T 12015-2014 |
| Jegyzet: 1 - A közös szál a felhasználói igények szerint testreszabható. |
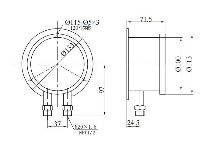
◆ Megjelenés és telepítés mérete:
| CYB100 Párhuzamos felület | CYB150 Párhuzamos felület |
| CYB150 Bazi felület | CYB150 Axiális excentricitás |
◆ Strukturális elv:
A hangszer dupla bourdon csőszerkezetet alkalmaz, vagyis két Bourdon csövet szimmetrikus helyzetben vannak felszerelve az "i" tartó mindkét oldalán. Az "I" konzol felső és alsó része a mozgatható vég, illetve a rögzített vége, a középső rész pedig egy rugósdarab köti össze: a két Bourdon cső párhuzamos állapotban van, és a magas és alacsony feszültségcsuklókhoz kapcsolódnak az ügyben a Conduit -szal: a rögzítőgépet közvetlenül a rögzített rudak rögzítésével, a rögzített rúdot pedig a rögzített rudakkal kell felszerelni: A fogaskerék átviteli mechanizmusán.
◆ Működési elv: A nyomásérzékelő elem alapján két azonos merevséggel rendelkező Bourdon csövet használnak, tehát arra kényszerülnek, hogy ugyanazt a koncentrált erőt állítsák elő, ugyanazon mért közeg alatt, hogy a mozgatható zárójelben működjenek, mivel a Spring Penge két oldala nem eredményez az eltérést az egyenlő pillanat alatt, így a zárójelben még mindig van az eredeti helyzetben, tehát a zárójelben még mindig van a zárójelben helyzet.
Különböző nyomás alkalmazása esetén (általában a nagynyomású vég magasabb, mint az alacsony nyomású vég) , a mozgatható tartóra ható két Bourdon-cső ereje nem egyenlő, tehát a megfelelő elmozdulást előállítják, és a sebességváltó átviteli mechanizmust meghajtják és amplifikálják, és a kettő közötti differenciális nyomásértéket jelzik, miután a mutató elhajolt.
◆ Óvintézkedések:
1. A A műszert függőlegesen kell felszerelni olyan helyzetben, amely megegyezik a mérési ponttal, különben a folyadékszint különbség által okozott kiegészítő hibát figyelembe kell venni.
2 - A műszercsatlakozó jelölve " H "Vagy" vagy "A nagyfeszültségű vége, és a jelöléssel" L "Vagy" vagy - "Az alacsony feszültségű vég, amelyet a telepítés során nem lehet megfordítani.
3 - Amikor a műszer méri a differenciális nyomást, akkor a differenciálnyomás értéke felhasználható 75% A skálán tartomány felső határának és a rendszer maximális statikus nyomásértékének nem haladhatja meg a műszer által megadott maximális statikus nyomásértéket.
4. Ahogy az ábrán látható 4 , az egyensúly (biztonsági) szelep (szelep 1 ) be kell állítani a műszer magas és alacsony nyomású bemeneti portjait a telepítés során, és nyitott helyzetben kell lennie, és az egyensúlyszelepet a szelep után le kell zárni 2 és 3. szelep mind nyitva vannak.
5 - Használat előtt a műszernek gondosan ellenőriznie kell a mért közeg által okozott erózió mértékét, hogy a Bourdon -cső korai korróziós károsodását ne okozza.
◆ Rendelési utasítások:
A műszer megrendelésekor a felhasználónak meg kell jelölnie:
1. Modell és név, differenciális nyomástartomány, maximális statikus nyomás, mérési egység, pontossági szint;
2. Felszerelés és bourdon cső anyag;
3. Közös szál mérete: Hagyományos M20 × 1.5 , NPT1/2 (vagy az ügyfél kijelölése);
4. Megjegyzés: Három szelepcsoport testreszabható a felhasználók nevében (szelepek 1 ~ 3 ábra szerint 4 )