◆ Modell: YJY100 YJY150
◆ Használat: Az abszolút nyomás arra a nyomásra utal, amely magasabb, mint az abszolút nyomás nulla, az abszolút nulla nyomás (abszolút vákuum), mint referencia. Az abszolút nyomásértéket a következő képlettel lehet kifejezni:
Abszolút nyomásérték = vákuum (negatív nyomás) érték légköri nyomásérték
Az abszolút nyomásmérőjét elsősorban az abszolút nyomás megfigyelésére vagy mérésére használják néhány vákuumfelszerelésben (például vákuumcsomagológépek, a kondenzációs nyomás és a folyadék gőznyomásának megfigyelésére szolgáló berendezések).
◆ Munkanyomás: A statikus terhelést a mérési felső határérték 3/4-ig használják, a csere terhelését a mérési felső határérték 2/3-ig használják, és a rövid távú nyomást a mérés felső határértékéig használják. $ $ $
◆ Műszaki paraméterek :
| modellszám | YJY100 | Yjy150 | |
| Névleges átmérőjű | Φ 100 | Φ 150 | |
| Telepítési forma | Ⅰ | * | * |
| Ⅱ | * | * | |
| Ⅳ | * | * | |
| Ⅵ | * | * | |
| Csatlakozószál | M20 × 1.5 | ||
| Pontossági osztály | 0.4 ; 1.0 ; 1.6 ; 2.5 | ||
| Mérési tartomány ( MPA ) | 0 ~ 0,1 0 ~ 0,16 0 ~ 0,25 0 ~ 0,4 0 ~ 0,6 0 ~ 1 0 ~ 1.6 0 ~ 2,5 0 ~ 4 0 ~ 6 0 ~ 10 | ||
| Környezeti felhasználási feltételek | Temp : -40 ℃~ 70 ℃( Pontossági osztály : 0.4 ) -50 ℃~ 160 ℃( Pontossági osztály : 1.0 ~ 2.5 ) relatív páratartalom : ≦ 80 % | ||
| rezgési besorolás | V · H · 2 ; V · H · 3 | ||
| védelmi osztály | IP65 | ||
| Végrehajtási szabványok | | ||
| Megjegyzés: 1. A közös szálak a felhasználói igények szerint testreszabhatók. | |||
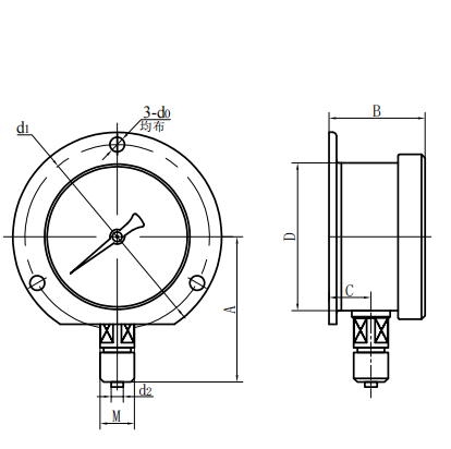
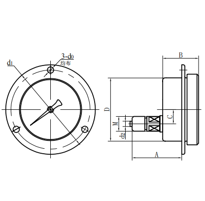
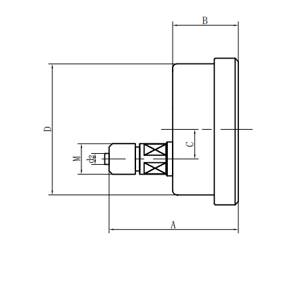
◆ Külső dimenziók:
|
Radiális közvetlen típus (ⅰ) | Axiális excentrikus közvetlen típus (ⅱ) |
| Axiális koncentrikus közvetlen típus (III) | Axiális excentrikus betét típus (IV) |
| modellszám | Általános dimenziók ( mm ) | |||||||
| A | B | C | D | d0 | D1 | d2 | M | |
| YJY100 -Ⅰ | 90 | 48 | 15 | Φ 100 | / | / | Φ 6 | M20 × 1.5 |
| YJY100 -Ⅱ | 83 | 44 | 34 | Φ 100 | / | / | Φ 6 | M20 × 1.5 |
| YJY100 -Ⅳ | 68 | 44 | 34 | Φ 100 | Φ 6 | Φ 118 | Φ 6 | M20 × 1.5 |
| YJY100 -Ⅵ | 90 | 48 | 15 | Φ 100 | Φ 6 | Φ 118 | Φ 6 | M20 × 1.5 |
| Yjy150 -Ⅰ | 117 | 51 | 16.5 | Φ 150 | / | / | Φ 6 | M20 × 1.5 |
| Yjy150 -Ⅱ | 92 | 52 | 55 | Φ 150 | / | / | Φ 6 | M20 × 1.5 |
| Yjy150 -Ⅳ | 69 | 52 | 55 | Φ 150 | Φ 6 | Φ 165 | Φ 6 | M20 × 1.5 |
| Yjy150 -Ⅵ | 117 | 53 | 28 | Φ 150 | Φ 6 | Φ 165 | Φ 6 | M20 × 1.5 |
























