◆ Modell: YJ150 YJ150A
◆ Használat: Ezt az eszközsorozatot elsősorban az ipari vagy a polgári szokásos nyomásmérők kalibrálására használják. Használható a nem korrozív, nem kristályosító és nem konszolidáló közegek, például a rézötvözet és az ötvözött szerkezeti acél nyomásának pontos mérésére a folyamat helyén.
Ez a műszercsoport a tükörgyűrű beállítása alatt lévő méretarányos vonalban minimalizálhatja az olvasási hibát.
◆ Műszaki paraméterek :
| modellszám | YJ150 | Yj150a | |
| Névleges átmérőjű | Φ 150 | ||
| Telepítési forma | Ⅰ | * | * |
| Ⅳ | * | * | |
| Csatlakozószál | M20 × 1.5 | ||
| Pontossági osztály | 0.4 | ||
| Mérési tartomány ( MPA ) | Üres: -0.1 ~ 0 Nyomás vákuum : -0.1 ~ 0,06 -0,1 ~ 0,15 -0,1 ~ 0,3 -0,1 ~ 0,5 -0,1 ~ 0,9 -0,1 ~ 1,5 -0.1 ~ 2.4 Nyomás: 0 ~ 0,1 0 ~ 0,16 0 ~ 0,25 0 ~ 0,4 0 ~ 0.6 0 ~ 1 0 ~ 1.6 0 ~ 2,5 0 ~ 4 0 ~ 6 0 ~ 10 0 ~ 16 0 ~ 25 0 ~ 40 0 ~ 60 0 ~ 100 | ||
| Környezeti felhasználási feltételek | Temp : 20 ℃ ± 3 ℃ | ||
| rezgési besorolás | V · H · 2 | ||
| védelmi osztály | IP54 | ||
| Végrehajtási szabványok | GB/T 1227 | ||
| Megjegyzés: 1. A közös szálak a felhasználói igények szerint testreszabhatók. | |||
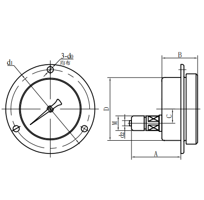
◆ Külső dimenziók:
| Radiális közvetlen típus (ⅰ) | Axiális excentrikus közvetlen típus (ⅱ) |
| modellszám | Általános dimenziók ( mm ) | |||||||
| A | B | C | D | d0 | D1 | d2 | M | |
| Yj150- Ⅰ Yj150a- Ⅰ | 113 | 51 | 21 | Φ 150 | / | / | Φ 6 | M20 × 1.5 |
| Yj150- Ⅳ Yj150a- Ⅳ | 79 | 51 | 55 | Φ 150 | Φ 6 | Φ 165 | Φ 6 | M20 × 1.5 |


















