◆ Modell: YC40 YC50 YC60 YC75 YC100 YC150
◆ Használat: Ez a műszer -sorozat alkalmas a folyékony, gáz-, gőz- és egyéb folyadékhordozó nyomásának mérésére robbanás veszélye, kristályosodás vagy megszilárdulás nélkül a hajókon és a kapcsolódó berendezéseken.
Ez a hangszer -sorozat fényes típusú, a tárcsa fő skálájában, és a mutató elülső végét aktív vagy passzív állandó ragyogó szer bevonja, így a nyomásérték egyértelműen olvasható sötétben.
Ennek a műszercsoportnak a héja teljesen le van zárva, és bizonyos ellenállással rendelkezik a tengervíz -korrózióval szemben, ezáltal megvédi a műszer belső alkotóelemeit a hullámok és a tengervíz károsodásaitól és korróziójától.
Ezt a műszer-sorozatot a héjban alacsony viszkozitású csillapító olajjal is kitölthetik, azzal a képességgel, hogy ellenálljon a munkakörnyezet rezgésének, amelyet a tengerben lévő rossz időjárás és a közepes nyomás pulzáció okoz.
Ezt a hangszereket elsősorban tengeri szállítás, tengeri olaj- és gázmezők, tengeri fúrási platformok, tengerfenék -bányászat, szárazföldi navigáció és egyéb iparágakban használják. $
◆ Műszaki paraméterek :
| Modellszám | Ylm60 | YLM100 | Ylm150 | |
| Névleges átmérőjű | Φ 60 | Φ 100 | Φ 150 | |
| Szerkesztési típus | Ⅰ | * | * | * |
| Ⅱ | * | * | * | |
| Ⅲ | * | / | / | |
| Ⅳ | * | * | * | |
| Ⅴ | * | / | / | |
| Ⅵ | * | * | * | |
| Csatlakozószál | M14 × 1.5 | M20 × 1.5 | ||
| Pontossági osztály | 2.5 | 1.6 | ||
| Mérési tartomány ( MPA ) | Üres: -0.1 ~ 0 Nyomás vákuum : -0.1 ~ 0,06 -0,1 ~ 0,15 -0,1 ~ 0.3 -0.1 ~ 0,5 -0,1 ~ 0,9 -0,1 ~ 1,5 -0.1 ~ 2.4 Nyomás: 0 ~ 0,1 0 ~ 0,16 0 ~ 0,25 0 ~ 0,4 0 ~ 0.6 0 ~ 1 0 ~ 1.6 0 ~ 2,5 0 ~ 4 0 ~ 6 0 ~ 10 0 ~ 16 0 ~ 25 0 ~ 40 0 ~ 60 0 ~ 100 、 0 ~ 160 、 0 ~ 250 |
| Környezeti felhasználási feltételek | Temp : -40 ℃~ 70 ℃ |
| rezgési besorolás | Normál típus : V · H · 3 ; Szeizmikus típus (folyadékkal töltött típus) : V · H · 4 |
| Borden cső anyag | QSN4-0.3 、 OCR18NI12MO2TI |
| Tok és csatlakozó anyag | 1cr18ni9ti ; SUS304 |
| védelmi osztály | IP65 |
| Végrehajtási szabványok | GB/T 1226 ; JB/T 6804 |
| Megjegyzés: 1. A közös szálak a felhasználói igények szerint testreszabhatók. | |
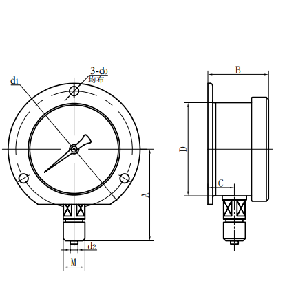
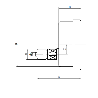
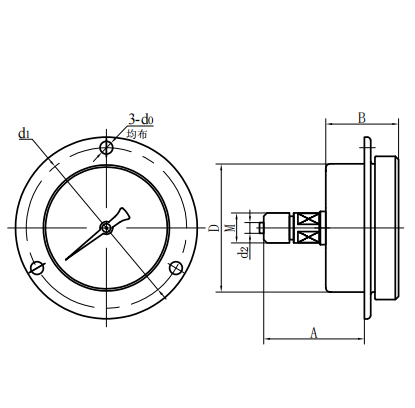
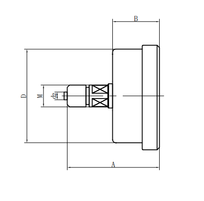
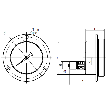
◆ Külső dimenziók:
| Radiális közvetlen típus (ⅰ) | Axiális excentrikus közvetlen típus (ⅱ) |
| Axiális koncentrikus közvetlen típus (III) | Axiális excentrikus betét típus (IV) |
| Axiális koncentrikus beillesztési típus (V) | Radiális domború típus (VI) |
| modellszám | Általános dimenziók (mm) | |||||||
| A | B | C | D | d0 | D1 | d2 | M | |
| YC60- Ⅰ | 56 | 33 | 11 | Φ 60 | / | / | Φ 5 | M14 × 1.5 |
| YC60- Ⅱ | 61 | 32.5 | 18 | Φ 60 | / | / | Φ 5 | |
| YC60- Ⅲ | 61 | 32.5 | / | Φ 60 | / | / | Φ 5 | M14 × 1.5 |
| YC60- Ⅳ | 55 | 32.5 | 18 | Φ 60 | Φ 5 | Φ 75 | Φ 5 | |
| YC60- Ⅴ | 55 | 32.5 | / | Φ 60 | Φ 5 | Φ 75 | Φ 5 | M14 × 1.5 |
| YC60- Ⅵ | 56 | 33 | 11 | Φ 60 | Φ 5 | Φ 75 | Φ 5 | M14 × 1.5 |
| YC100- Ⅰ | 90 | 48 | 15 | Φ 100 | / | / | Φ 6 | M20 × 1.5 |
| YC100- Ⅱ | 83 | 44 | 34 | Φ 100 | / | / | Φ 6 | M20 × 1.5 |
| YC100- Ⅳ | 68 | 44 | 34 | Φ 100 | Φ 6 | Φ 118 | Φ 6 | M20 × 1.5 |
| YC100- Ⅵ | 90 | 48 | 15 | Φ 100 | Φ 6 | Φ 118 | Φ 6 | M20 × 1.5 |
| YC150- Ⅰ | 117 | 51 | 16.5 | Φ 150 | / | / | Φ 6 | M20 × 1.5 |
| YC150- Ⅱ | 92 | 52 | 55 | Φ 150 | / | / | Φ 6 | M20 × 1.5 |
| YC150- Ⅳ | 69 | 52 | 55 | Φ 150 | Φ 6 | Φ 165 | Φ 6 | M20 × 1.5 |
| YC150- Ⅵ | 117 | 53 | 28 | Φ 150 | Φ 6 | Φ 165 | Φ 6 | M20 × 1.5 |


















